
A skipta um flip-flop (T flip-flop) er raðbundin rökrás sem geymir einn bita af gögnum og breytir framleiðsla þeirra út frá klukkumerki.
Það er kallað toggle flip-flop vegna þess að úttakið skiptir á milli 0 og 1.
• T = 0 → úttak helst óbreytt (hold)
• T = 1 → úttak skiptir yfir í öfugt ástand (rofa)
T flip-flop hefur einn inntak (T), a klukkuinntak (CLK), og tvær úttak, Q og viðbót þess Q̅, sem tákna núverandi og andstæða ástand hringrásarinnar.Framleiðsla breytist aðeins við klukkubrúnina, sem tryggir áreiðanlega notkun.Vegna einfaldrar uppbyggingar er T flip-flop mikið notaður í stafrænum hringrásum.

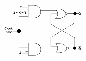
Mynd 2. JK flip-flop breytt í T flip-flop með því að tengja J = K = T
JK flip-flop er sveigjanleg hringrás sem notuð er til að geyma einn bita af gögnum.Það hefur þrjú inntak: J, K og CLK.
Grunnaðgerð JK Flip-Flop
• J = 0, K = 0 → halda (engin breyting)
• J = 0, K = 1 → endurstilla (Q = 0)
• J = 1, K = 0 → mengi (Q = 1)
• J = 1, K = 1 → skipta
Vegna þess að það styður margar aðgerðir er það kallað a alhliða flip-flop.
Einkennandi jafna

Mynd 3. JK Flip-Flop einkennisjafna
Hægt er að búa til T flip-flop með því að tengja:
J = K = T
Niðurstaða: Hvenær T = 0, flip-flop heldur núverandi stöðu sinni, en hvenær T = 1, það skiptir yfir í öfugt ástand.
Framleiðslan breytist samt aðeins við klukkubrúnina.
Hvenær T = 1, úttakið breytist við hvern klukkupúls, þannig að hringrásin virkar sem tíðniskil.
Hegðun T flip-flop er gefin út af:
Q(næsta) = T ⊕ Q
Hvar: ⊕ táknar XOR (einka OR) aðgerð, sem þýðir að úttakið breytist aðeins þegar inntakið er öðruvísi.
Dæmi
Upphafs Q = 0
Hvenær T = 1, næsti klukkupúls breytist Q í 1, og á næsta klukkupúls breytist Q aftur í 0, sem sýnir að úttakið breytist við hverja klukkulotu.
|
T |
Klukka
Ástand |
Núverandi ástand (Q) |
Næsta ríki (Q(næsta)) |
Rekstur |
|
0 |
Hækkandi brún |
0 |
0 |
Haltu |
|
0 |
Hækkandi brún |
1 |
1 |
Haltu |
|
1 |
Hækkandi brún |
0 |
1 |
Skipta |
|
1 |
Hækkandi brún |
1 |
0 |
Skipta |
|
X |
Engin klukkubrún |
Q |
Q |
Engin breyting |

Mynd 4. T Flip-Flop aðgerð á hækkandi klukkubrúnum
T flip-flop starfar út frá klukkumerkinu og T inntak.Framleiðsla breytist aðeins á hækkandi brún klukkunnar, þar sem T = 0 heldur núverandi ástandi óbreyttu og T = 1 veldur því að úttakið breytist.Þetta tryggir stöðugan og áreiðanlegan rekstur.
T flip-flop getur líka tengst öðrum flip-flops með einföldum umbreytingum.Hægt er að breyta JK flip-flop í D flip-flop með því að tengja D til J og EKKI D til K, sem leiðir til jöfnunnar Q(næsta) = D, þar sem úttakið fylgir beint inntakinu.Í D flip-flop, D = 0 stillir úttakið á 0, á meðan D = 1 stillir það á 1.
Að sama skapi er hægt að útfæra T flip-flop með því að nota D flip-flop með XOR hlið, hvar D = T ⊕ Q.Þessi uppsetning framleiðir sömu breytihegðun og T flip-flop.
Notaðu SR flip-flop: Krefst viðbótar rökfræði til að forðast ógild inntaksskilyrði.
Notaðu D Flip-Flop: Notar XOR hlið, sem gefur einfalda og skilvirka hönnun.
Notaðu JK Flip-Flop: Tengir J og K inntak saman, sem gerir það að auðveldasta leiðinni til að ná skiptahegðun.
Tíðnideild - Deilir klukkumerkinu með 2. Mörg þrep geta deilt frekar.
Teljarar - Notað í tvíundartalningu (t.d. 4-bita teljari telur 0–15)
Gárateljarar - Einföld hönnun en getur haft litlar tafir
Gagnageymsla - Geymir einn bita þar til næsta klukkumerki
Samstilltir hringrásir - Heldur kerfisaðgerðum samræmdum
Vaktaskrár - Færir gögn skref fyrir skref í samskiptakerfum

Mynd 5. T vs D vs JK Flip-Flop tákn samanburður
|
Eiginleiki |
T |
D |
JK |
|
Inntak |
1 |
1 |
2 |
|
Rekstur |
Skipta |
Afritaðu inntak |
Margfeldi |
|
Skipta |
Já |
Nei |
Já |
|
Haltu |
Já |
Aðeins ef inntak er óbreytt |
Já |
|
Stilla/endurstilla |
Ekkert beint |
Já |
Já |
|
Notaðu |
Teljarar |
Geymsla |
Stjórna |
|
Flækjustig |
Lágt |
Lágt |
Miðlungs |
|
Mistök |
Rétt
Hugmynd |
|
T = 0 þýðir endurstillingu |
T = 0 heldur ástandinu |
|
Stöðugt skipta |
Skiptir aðeins við klukkubrún |
|
Föst úttaksröð |
Fer eftir upphafsástandi |
|
Aðskilið frá JK |
Byggt úr JK (J = K = T) |
|
Hunsa klukkubrún |
Úttak breytist aðeins við klukkubrún |
T flip-flop er einföld og skilvirk hringrás sem breytir um ástand til að bregðast við klukkumerkjum.Hæfni þess til að skipta gerir það gagnlegt í teljara, tíðniskiptingu og öðrum stafrænum forritum.Skilningur á rekstri þess og hönnun hjálpar til við að byggja upp sterkan grunn í stafrænum rökfræðikerfum.
UM OKKUR
Ánægja viðskiptavina í hvert skipti.Gagnkvæmt traust og sameiginleg hagsmunir.
Allt sem þú þarft að vita um LED bylgjulengd
2026-04-16
MOSFET sem rofi: Vinna, gerðir og forrit útskýrð
2026-04-15
Helsti kosturinn er einföld hönnun þess.Það notar aðeins eitt inntak og getur auðveldlega skipt um stöðu, sem gerir það skilvirkt fyrir teljara og tímasetningu hringrásir.
Vegna þess að það breytir um ástand á hverjum klukkupúlsi þegar T = 1, deilir það inntaksklukkutíðninni með 2.
Úttakið helst óbreytt, óháð T-inntakinu, vegna þess að flip-flops svara aðeins klukkumerkjum.
T flip-flop er einn geymsluþáttur, en tvíundir teljari notar marga flip-flops sem eru tengdir saman til að telja gildi.
Flestir T flip-flops nota brúnkveikju, venjulega hækkandi brún, til að tryggja nákvæmar og stöðugar stöðubreytingar.
Nei, endurgjöf frá úttakinu er nauðsynleg til að virkja skiptahegðunina.
Einn T flip-flop geymir einn bita af gögnum, annað hvort 0 eða 1.
DMN6040SVT-7Netfang: Info@ariat-tech.comHK TEL: +852 30501966BÆTA VIÐ: Rm 2703 27F Ho King Comm Center 2-16,
Fa Yuen St MongKok Kowloon, Hong Kong.